SLOA300A October   2021  – April 2022 TLC2272-Q1

 

  1.   Trademarks
  2. 1Overview
  3. 2Functional Safety Failure In Time (FIT) Rates
    1. 2.1 SOIC (D) 8 Package
    2. 2.2 TSSOP (PW) 8 Package
  4. 3Failure Mode Distribution (FMD)
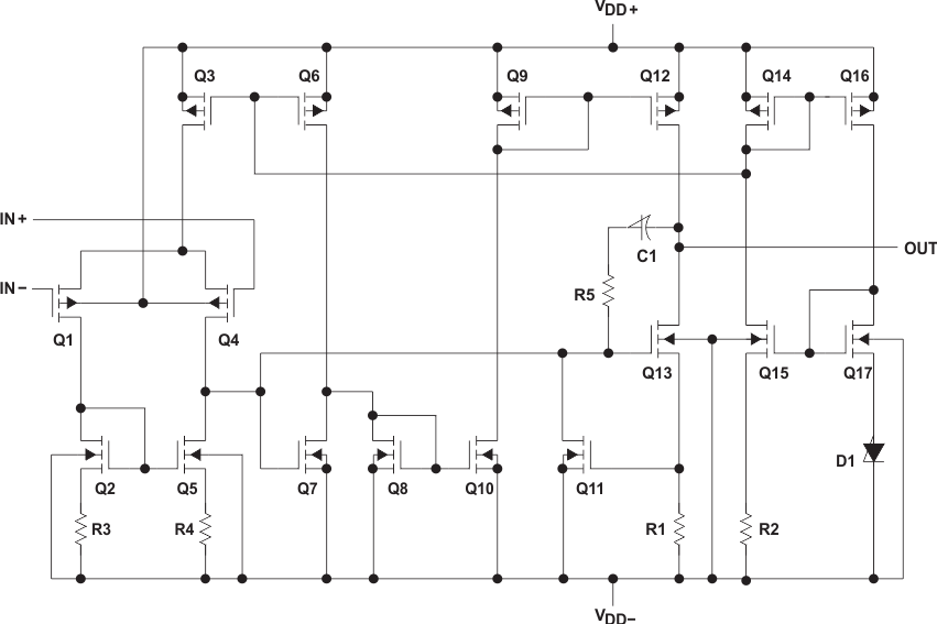
  5. 4Pin Failure Mode Analysis (Pin FMA)
    1. 4.1 SOIC (D) 8 Package
    2. 4.2 TSSOP (PW) 8 Package
  6. 5Revision History

Trademarks

All trademarks are the property of their respective owners.