ZHCSEU6A March   2016  – September 2017 CSD87355Q5D

PRODUCTION DATA.  

  1. 1特性
  2. 2应用范围
  3. 3说明
  4. 4修订历史记录
  5. 5Specifications
    1. 5.1 Absolute Maximum Ratings
    2. 5.2 Handling Ratings
    3. 5.3 Recommended Operating Conditions
    4. 5.4 Thermal Information
    5. 5.5 Power Block Performance
    6. 5.6 Electrical Characteristics
    7. 5.7 Typical Power Block Device Characteristics
    8. 5.8 Typical Power Block MOSFET Characteristics
  6. 6Application and Implementation
    1. 6.1 Application Information
      1. 6.1.1 Equivalent System Performance
      2. 6.1.2 Power Loss Curves
      3. 6.1.3 Safe Operating Curves (SOA)
      4. 6.1.4 Normalized Curves
    2. 6.2 Typical Application
      1. 6.2.1 Design Example: Calculating Power Loss and SOA
      2. 6.2.2 Operating Conditions
        1. 6.2.2.1 Calculating Power Loss
        2. 6.2.2.2 Calculating SOA Adjustments
  7. 7Layout
    1. 7.1 Layout Guidelines
      1. 7.1.1 Electrical Performance
      2. 7.1.2 Thermal Considerations
    2. 7.2 Layout Example
  8. 8器件和文档支持
    1. 8.1 社区资源
    2. 8.2 商标
    3. 8.3 静电放电警告
    4. 8.4 Glossary
  9. 9机械、封装和可订购信息
    1. 9.1 Q5D 封装尺寸
    2. 9.2 焊盘布局建议
    3. 9.3 模板建议

封装选项

请参考 PDF 数据表获取器件具体的封装图。

机械数据 (封装 | 引脚)
  • DQY|8
散热焊盘机械数据 (封装 | 引脚)
订购信息

特性

  • 半桥电源块
  • 25A 电流时系统效率达 92.5%
  • 工作电流高达 45A
  • 高频工作(高达 1.5MHz)
  • 高密度 SON 5mm × 6mm 封装
  • 针对 5V 栅极驱动进行了优化
  • 低开关损耗
  • 超低电感封装
  • 符合 RoHS 标准
  • 无卤素
  • 无铅引脚镀层

应用范围

  • 同步降压转换器
    • 高频 应用
    • 高电流、低占空比 应用
  • 多相位同步降压转换器
  • 负载点 (POL) 直流 - 直流转换器
  • IMVP、VRM 和 VRD 电感式触控不锈钢键盘参考设计

说明

CSD87355Q5D NexFET™电源块是面向同步降压 应用 的优化设计方案,能够以 5mm × 6mm 的小巧外形提供高电流、高效率以及高频率性能。该产品针对 5V 栅极驱动 应用进行了优化,在与外部控制器/驱动器的任一 5V 栅极驱动配套使用时,可提供一套灵活的解决方案来实现高密度电源。

增加文本,调节间距
顶视图

CSD87355Q5D P0116-01_LPS223.gif

.
订购信息(1)

器件 介质 数量 封装 出货
CSD87355Q5D 13 英寸卷带 2500 5mm x 6mm 小外形尺寸无引线 (SON) 塑料封装 卷带
CSD87355Q5DT 7 英寸卷带 250
  1. 如需了解所有可用封装,请参阅产品说明书末尾的可订购产品附录。

增加文本,调节间距

增加文本,调节间距

增加文本,调节间距

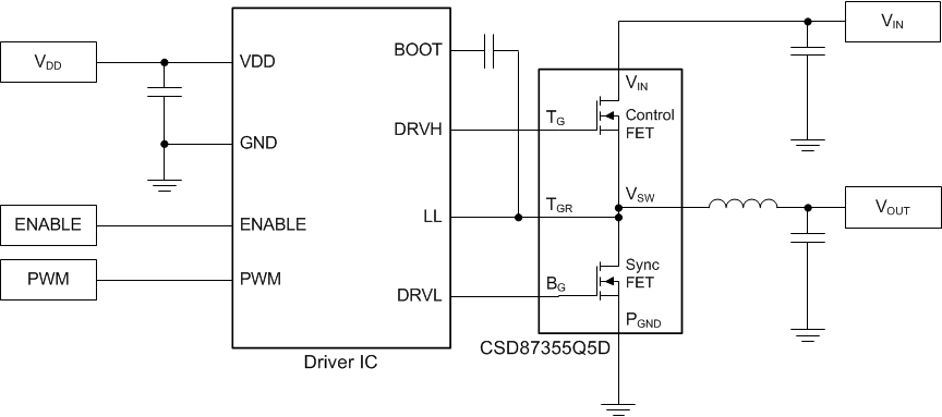
典型电路

CSD87355Q5D SLPS575_Front_Page.gif

典型电源块效率与功率损耗

CSD87355Q5D D000_SLPS575_r2.gif