ZHCSDY4A July   2015  – March 2017 CSD87334Q3D

PRODUCTION DATA.  

  1. 1特性
  2. 2应用范围
  3. 3说明
  4. 4修订历史记录
  5. 5Specifications
    1. 5.1 Absolute Maximum Ratings
    2. 5.2 Recommended Operating Conditions
    3. 5.3 Power Block Performance
    4. 5.4 Thermal Information
    5. 5.5 Electrical Characteristics
    6. 5.6 Typical Power Block Device Characteristics
    7. 5.7 Typical Power Block MOSFET Characteristics
  6. 6Application and Implementation
    1. 6.1 Application Information
    2. 6.2 Typical Application
    3. 6.3 System Example
      1. 6.3.1 Power Loss Curves
      2. 6.3.2 Safe Operating Area (SOA) Curves
      3. 6.3.3 Normalized Curves
      4. 6.3.4 Calculating Power Loss and SOA
        1. 6.3.4.1 Design Example
        2. 6.3.4.2 Calculating Power Loss
        3. 6.3.4.3 Calculating SOA Adjustments
  7. 7Layout
    1. 7.1 Layout Guidelines
      1. 7.1.1 Recommended PCB Design Overview
      2. 7.1.2 Electrical Performance
    2. 7.2 Layout Example
    3. 7.3 Thermal Considerations
  8. 8器件和文档支持
    1. 8.1 接收文档更新通知
    2. 8.2 社区资源
    3. 8.3 商标
    4. 8.4 静电放电警告
    5. 8.5 Glossary
  9. 9机械、封装和可订购信息
    1. 9.1 Q3D 封装尺寸
    2. 9.2 焊盘布局建议
    3. 9.3 模板建议
    4. 9.4 Q3D 卷带信息

封装选项

机械数据 (封装 | 引脚)
散热焊盘机械数据 (封装 | 引脚)
订购信息

特性

  • 半桥电源块
  • 针对高占空比进行了优化
  • 输入电压高达 24V
  • 12A 电流时系统效率达 96.1%
  • 12A 电流时,PLoss 为 1.6W
  • 工作电流高达 20A
  • 高频工作(高达 1.5MHz)
  • 高密度 3.3mm × 3.3mm 小外形尺寸无引线 (SON) 封装
  • 针对 5V 栅极驱动进行了优化
  • 开关损耗较低
  • 超低电感封装
  • 符合 RoHS 环保标准
  • 无卤素
  • 无铅引脚镀层

应用范围

  • 同步降压转换器
    • 高频 应用
    • 高占空比 应用
  • 同步升压转换器
  • 负载点 (POL) 直流 - 直流转换器

说明

CSD87334Q3D NexFET™电源块是面向同步降压和升压 应用 的优化设计方案,能够以 3.3mm × 3.3mm 的小巧外形提供高电流、高效率以及高频率性能。该产品针对 5V 栅极驱动 应用进行了优化,在与外部控制器或驱动器配合使用时, 可在高占空比应用中 提供灵活的解决方案

俯视图

CSD87334Q3D P0116-01_LPS223.gif

器件信息(1)

器件 数量 包装介质 封装 运输
CSD87334Q3D 2500 13 英寸卷带 SON
3.30mm × 3.30mm
塑料封装
卷带封装
CSD87334Q3DT 250 7 英寸卷带
  1. 要了解所有可用封装,请参见数据表末尾的可订购产品附录。

.

.

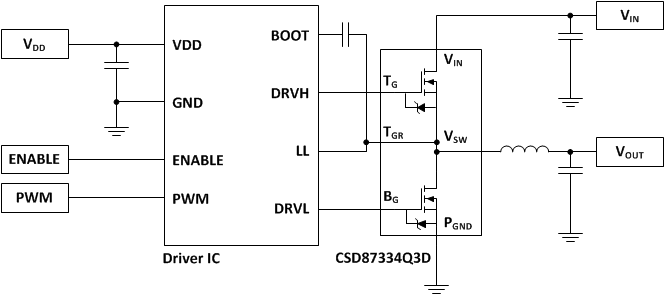
典型电路

CSD87334Q3D Front_Page3.gif

典型电源块效率与功率损耗

CSD87334Q3D D000_SLPS546.gif