ZHCSG72 April   2017 CSD87313DMS

PRODUCTION DATA.  

  1. 1特性
  2. 2应用范围
  3. 3说明
  4. 4修订历史记录
  5. 5 Specifications
    1. 5.1 Electrical Characteristics
    2. 5.2 Thermal Information
    3. 5.3 Typical MOSFET Characteristics
  6. 6器件和文档支持
    1. 6.1 接收文档更新通知
    2. 6.2 社区资源
    3. 6.3 商标
    4. 6.4 静电放电警告
    5. 6.5 Glossary
  7. 7机械、封装和可订购信息
    1. 7.1 DMS 封装尺寸
    2. 7.2 建议 PCB 布局
    3. 7.3 建议模板开口

封装选项

请参考 PDF 数据表获取器件具体的封装图。

机械数据 (封装 | 引脚)
  • DMS|8
散热焊盘机械数据 (封装 | 引脚)
订购信息

特性

  • 低源极至源极导通电阻
  • 双共漏极 N 通道 MOSFET
  • 针对 5V 栅极驱动进行了优化
  • 低 Qg 和 Qgd
  • 低热阻
  • 雪崩额定值
  • 无铅引脚镀层
  • 符合 RoHS 标准
  • 无卤素
  • 小外形尺寸无引线 (SON) 3.3mm × 3.3mm 塑料封装

应用范围

  • USB Type-C™和电力输送 (PD) VBus 保护
  • 电池保护
  • 负载开关

说明

CSD87313DMS 是一款 30V 共漏极、双路 N 通道器件,专为 USB Type-C/PD 和电池保护而设计。此 3.3mm × 3.3mm SON 器件具有低源极至源极导通电阻,可最大限度地较少损耗,且具有较少的组件数量,适用于空间受限的 应用。

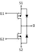
原理图
CSD87313DMS Schematic.gif

产品概要

TA = 25°C 数值 单位
VS1S2 源极 1 到源极 2 电压 30 V
Qg 栅极电荷总量 (4.5V) 28 nC
Qgd 栅极电荷(栅极到漏极) 6.0 nC
RS1S2(on) 源极 1 到源极 2 最大导通电阻 VGS = 2.5V 9.6
VGS = 4.5V 5.5
VGS(th) 阈值电压 0.9 V

器件信息(1)

器件 数量 包装介质 封装 运输
CSD87313DMS 2500 13 英寸卷带 SON
3.30mm × 3.30mm
塑料封装
卷带封装
CSD87313DMST 250 7 英寸卷带
  1. 要了解所有可用封装,请见数据表末尾的可订购产品附录。

绝对最大额定值

TA = 25°C 时测得,除非另外注明 单位
VS1S2 源极 1 到源极 2 电压 30 V
VGS 栅源电压(1) ±10 V
IS1S2 持续源极电流(2) 17 A
ISM 脉冲源极电流,TA = 25°C 时测得(2)(3) 120 A
PD 功率耗散(2) 2.7 W
功率耗散(4) 1
TJ,Tstg 工作结温,
储存温度
-55 至 150 °C
EAS 雪崩能量,单一脉冲,
ID = 100A,L = 0.1mH,RG = 25Ω
67 mJ
  1. VG1S1 不应超过 ±10V,VG2S2 不应超过 ±10V。
  2. 典型 RθJA = 45°C/W(当在 0.06 英寸 [1.52mm] 厚的 FR4 PCB 上将其安装在 1 平方英寸 [6.45cm2] 2oz [0.071mm] 厚的铜焊盘上时)。
  3. 占空比 ≤ 2%,脉冲持续时间 ≤ 300µs。
  4. 典型 RθJA = 125°C/W(在 2oz 铜焊盘上)。

RS1S2(ON) 与 VGS 对比

CSD87313DMS D007_SLPS634.gif

栅极电荷

CSD87313DMS D004_SLPS634_FP.gif