ZHCSFT0 December   2016 CSD18511Q5A

PRODUCTION DATA.  

  1. 1特性
  2. 2应用范围
  3. 3说明
  4. 4修订历史记录
  5. 5Specifications
    1. 5.1 Electrical Characteristics
    2. 5.2 Thermal Information
    3. 5.3 Typical MOSFET Characteristics
  6. 6器件和文档支持
    1. 6.1 接收文档更新通知
    2. 6.2 社区资源
    3. 6.3 商标
    4. 6.4 静电放电警告
    5. 6.5 Glossary
  7. 7机械、封装和可订购信息
    1. 7.1 Q5A 封装尺寸
    2. 7.2 建议印刷电路板 (PCB) 布局
    3. 7.3 建议模板开口
    4. 7.4 Q5A 卷带信息

封装选项

机械数据 (封装 | 引脚)
散热焊盘机械数据 (封装 | 引脚)
订购信息

特性

  • 低 RDS(ON)
  • 低热阻
  • 雪崩额定值
  • 逻辑电平
  • 无铅引脚镀层
  • 符合 RoHS 标准
  • 无卤素
  • 小外形尺寸无引线 (SON) 5mm x 6mm 塑料封装

应用范围

  • 直流 - 直流转换
  • 次级侧同步整流
  • 电池电机控制

说明

这款 40V,1.9mΩ,SON 5mm × 6mmNexFET™功率 MOSFET 的设计旨在追求以最大限度降低功率转换应用中的功率 损耗。

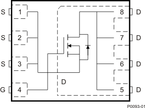
俯视图
CSD18511Q5A P0093-01_LPS198.gif

产品概要

TA=25°C 典型值 单位
VDS 漏源电压 40 V
Qg 栅极电荷总量 (10V) 63 nC
Qgd 栅极电荷(栅极到漏极) 11.2 nC
RDS(on) 漏源导通电阻 VGS = 4.5V 2.7
VGS = 10V 1.9
VGS(th) 阈值电压 1.8 V

订购信息(1)

器件 数量 介质 封装 出货
CSD18511Q5A 2500 13 英寸卷带 SON 5mm × 6mm 塑料封装 卷带封装
CSD18511Q5AT 250 7 英寸卷带
  1. 要了解所有可用封装,请见数据表末尾的可订购产品附录。

绝对最大额定值

TA = 25°C 单位
VDS 漏源电压 40 V
VGS 栅源电压 ±20 V
ID 持续漏极电流(受封装限制) 100 A
持续漏极电流(受芯片限制),TC=25°C 时测得 159
持续漏极电流 (1) 27 A
IDM 脉冲漏极电流 (2) 400 A
PD 功率耗散(1) 3.1 W
功率耗散,TC = 25°C 104
TJ
Tstg
运行结温和
储存温度范围
-55 至 150 °C
EAS 雪崩能量,单一脉冲
ID = 56A,L = 0.1mH,RG = 25Ω
157 mJ
  1. RθJA=42°C/W,这是在一块厚度为 0.06 英寸 (1.52mm) 的 FR4 印刷电路板 (PCB) 上的一英寸2,2 盎司铜过渡垫片上测得的典型值。
  2. 最大 RθJC = 1.2°C/W,脉冲持续时间 ≤ 100μs,占空比 ≤ 1%

RDS(on) 与 VGS 间的关系

CSD18511Q5A D007_SLPS631.gif

栅极电荷

CSD18511Q5A D004_SLPS631_FP.gif