ZHCSFK6 October   2016 CSD17581Q3A

PRODUCTION DATA.  

  1. 1特性
  2. 2应用范围
  3. 3说明
  4. 4修订历史记录
  5. 5Specifications
    1. 5.1 Electrical Characteristics
    2. 5.2 Thermal Information
    3. 5.3 Typical MOSFET Characteristics
  6. 6器件和文档支持
    1. 6.1 接收文档更新通知
    2. 6.2 社区资源
    3. 6.3 商标
    4. 6.4 静电放电警告
    5. 6.5 Glossary
  7. 7机械、封装和可订购信息
    1. 7.1 Q3A 封装尺寸
    2. 7.2 Q3A 建议的 PCB 布局
    3. 7.3 Q3A 建议的模板布局
    4. 7.4 Q3A 卷带信息

封装选项

机械数据 (封装 | 引脚)
散热焊盘机械数据 (封装 | 引脚)
订购信息

特性

  • 低 Qg 和 Qgd
  • 低 RDS(on)
  • 低热阻抗
  • 雪崩级
  • 无铅
  • 符合 RoHS 环保标准
  • 无卤素
  • 小外形尺寸无引线 (SON) 3.3mm × 3.3mm 塑料封装

应用范围

  • 用于网络互联、电信和计算系统的 负载点 同步降压转换器
  • 电机控制 应用
  • 针对控制场效应晶体管 (FET) 应用进行了 优化

说明

这款采用 3.3mm × 3.3mm SON 封装的 30V、3.2mΩ、 NexFET™功率 MOSFET 被设计成在功率转换应用中大大降低 损耗。

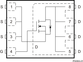
俯视图
CSD17581Q3A P0093-01_LPS198.gif

 .

 .

产品概要

TA=25°C 典型值 单位
VDS 漏源极电压 30 V
Qg 栅极电荷总量 (4.5V) 20 nC
Qgd 栅极电荷(栅极到漏极) 4 nC
RDS(on) 漏源导通电阻 VGS = 4.5V 3.9
VGS = 10V 3.2
VGS(th) 阈值电压 1.3 V

.
器件信息(1)

器件 包装介质 数量 封装 运输
CSD17581Q3A 13 英寸卷带 2500 小外形尺寸无引线 (SON)
3.30mm × 3.30mm
塑料封装
卷带式
CSD17581Q3AT 7 英寸卷带 250
  1. 要了解所有可用封装,请见数据表末尾的可订购产品附录。

绝对最大额定值

TA = 25°C 单位
VDS 漏源极电压 30 V
VGS 栅源电压 ±20 V
ID 持续漏极电流(受封装限制) 60 A
持续漏极电流(受芯片限制),TC = 25°C 时测得 101
持续漏极电流(1) 21
IDM 脉冲漏极电流(2) 154 A
PD 功率耗散(1) 2.8 W
功率耗散,TC = 25°C 63
TJ
Tstg
工作结温,
储存温度
-55 至 150 °C
EAS 雪崩能量,单一脉冲
ID = 39A,L = 0.1mH,RG = 25Ω
76 mJ
  1. RθJA = 45°C/W,这是在一块厚度为 0.06 英寸环氧树脂 (FR4) 印刷电路板 (PCB) 上的 1 英寸2,2 盎司铜焊盘上测得的典型值。
  2. 最大 RθJC = 2°C/W,脉冲持续时间 ≤ 100μs,占空比 ≤ 1%。

RDS(on) 与 VGS 间的关系

CSD17581Q3A D007_SLPS629.gif

栅极电荷

CSD17581Q3A D004_SLPS629_FP.gif