ZHCSDF8 March 2015 CSD17579Q5A
PRODUCTION DATA.
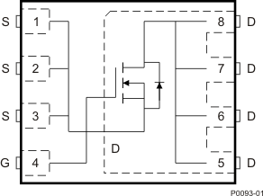
这款 30V,8.4mΩ,SON 5mm x 6mm NexFET™ 功率 MOSFET 被设计成在功率转换应用中最大限度地降低功率损耗。

| TA = 25°C | 典型值 | 单位 | ||
|---|---|---|---|---|
| VDS | 漏源电压 | 30 | V | |
| Qg | 栅极电荷总量 (4.5V) | 5.4 | nC | |
| Qgd | 栅极电荷(栅极到漏极) | 1.2 | nC | |
| RDS(on) | 漏源导通电阻 | VGS = 4.5V | 11.6 | mΩ |
| VGS = 10V | 8.4 | mΩ | ||
| VGS(th) | 阈值电压 | 1.5 | V | |
| 器件 | 介质 | 数量 | 封装 | 出货 |
|---|---|---|---|---|
| CSD17579Q5A | 13 英寸卷带 | 2500 | SON 5mm x 6mm 塑料封装 |
卷带封装 |
| CSD17579Q5AT | 7 英寸卷带 | 250 |
| TA = 25°C | 值 | 单位 | |
|---|---|---|---|
| VDS | 漏源电压 | 30 | V |
| VGS | 栅源电压 | ±20 | V |
| ID | 持续漏极电流(受封装限制) | 25 | A |
| 持续漏极电流(受芯片限制),TC = 25°C 时测得 | 46 | ||
| 持续漏极电流(1) | 14 | ||
| IDM | 脉冲漏极电流(2) | 105 | A |
| PD | 功率耗散(1) | 3.1 | W |
| 功率耗散,TC = 25°C | 36 | ||
| TJ, Tstg |
运行结温和 储存温度范围 |
-55 至 150 | °C |
| EAS | 雪崩能量,单一脉冲 ID = 17A,L = 0.1mH |
14.5 | mJ |
RDS(on) 与 VGS 间的关系![]() |
栅极电荷![]() |