ZHCSC48D February   2014  – May 2017 CSD17570Q5B

PRODUCTION DATA.  

  1. 1特性
  2. 2应用
  3. 3说明
  4. 4修订历史记录
  5. 5Specifications
    1. 5.1 Electrical Characteristics
    2. 5.2 Thermal Information
    3. 5.3 Typical MOSFET Characteristics
  6. 6器件和文档支持
    1. 6.1 接收文档更新通知
    2. 6.2 社区资源
    3. 6.3 商标
    4. 6.4 静电放电警告
    5. 6.5 Glossary
  7. 7机械、封装和可订购信息
    1. 7.1 Q5B 封装尺寸
    2. 7.2 建议 PCB 布局
    3. 7.3 建议模板布局
    4. 7.4 Q5B 卷带信息

封装选项

请参考 PDF 数据表获取器件具体的封装图。

机械数据 (封装 | 引脚)
  • DNK|8
散热焊盘机械数据 (封装 | 引脚)
订购信息

特性

  • 超低电阻
  • 低热阻
  • 雪崩级
  • 无铅引脚镀层
  • 符合 RoHS 标准
  • 无卤素
  • 小外形尺寸无引线 (SON) 5mm x 6mm 塑料封装

应用

  • ORing 和热插拔 应用

说明

这款 30V,0.56mΩ,SON 5mm × 6mmNexFET™功率 MOSFET 旨在最大限度地减小 ORing 和热拔插应用的 电阻, 不可用于开关 应用。

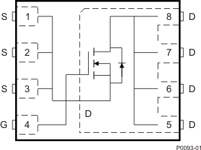
顶部图标
CSD17570Q5B P0093-01_LPS198.gif

.

.

产品概要

TA = 25°C 典型值 单位
VDS 漏源电压 30 V
Qg 栅极电荷总量 (4.5V) 93 nC
Qgd 栅极电荷(栅极到漏极) 34 nC
RDS(on) 漏源导通电阻 VGS = 4.5V 0.74
VGS = 10V 0.56
VGS(th) 阈值电压 1.5 V

订购信息(1)

器件 数量 介质 封装 出货
CSD17570Q5B 2500 13 英寸卷带 SON 5mm x 6mm 塑料封装 卷带封装
CSD17570Q5BT 250 7 英寸卷带
  1. 要了解所有可用封装,请参阅数据表末尾的可订购产品附录。

绝对最大额定值

TA = 25°C 单位
VDS 漏源电压 30 V
VGS 栅源电压 ±20 V
ID 持续漏极电流(受封装限制) 100 A
持续漏极电流(受芯片限制),TC = 25°C 时测得 407
持续漏极电流,TA = 25°C 时测得(1) 53
IDM 脉冲漏极电流,TA = 25°C 时测得(2) 400 A
PD 功率耗散(1) 3.2 W
TJ
Tstg
运行结温和
储存温度范围
-55 至 150 °C
EAS 雪崩能量,单脉冲
ID = 90A,L = 0.1mH,RG = 25Ω
450 mJ
  1. RθJA = 40°C/W,这是在厚度为 0.06 英寸的环氧板 (FR4) 印刷电路板 (PCB) 上的 1 英寸2 2 盎司的铜焊盘上测得的典型值。
  2. 脉冲持续时间 ≤ 100μs,占空比 ≤ 2%

.

RDS(on) 与 VGS 对比

CSD17570Q5B graph07_SLPS471.png

栅极电荷

CSD17570Q5B graph04_SLPS471.png