ZHCSAG5A November 2012 – September 2014 CSD17559Q5
PRODUCTION DATA.
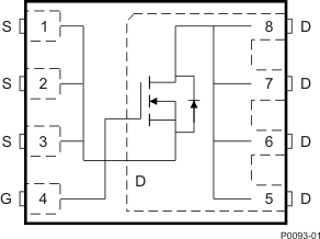
这款 30V,0.95mΩ,5mm × 6mm SON 封装 NexFET™ 功率 MOSFET 设计用于大大降低同步整流和其它功率转换应用中的损耗。

| TA = 25°C | 典型值 | 单位 | ||
|---|---|---|---|---|
| VDS | 漏源电压 | 30 | V | |
| Qg | 栅极电荷总量 (4.5V) | 39 | nC | |
| Qgd | 栅漏栅极电荷 | 9.3 | nC | |
| RDS(on) | 漏源导通电阻 | VGS = 4.5 V | 1.15 | mΩ |
| VGS = 10V | 0.95 | mΩ | ||
| VGS(th) | 阀值电压 | 1.4 | V | |
| 器件 | 数量 | 介质 | 封装 | 出货 |
|---|---|---|---|---|
| CSD17559Q5 | 2500 | 13 英寸卷带 | SON 5mm x 6mm 塑料封装 | 卷带封装 |
| CSD17559Q5T | 250 | 13 英寸卷带 |
RDS(on) 与 VGS 间的关系![]() |
栅极电荷![]() |