ZHCSBE0C August 2013 – August 2015 UCC27517A
PRODUCTION DATA.
UCC27517A 单通道、高速、低侧栅极驱动器器件能够有效地驱动金属氧化物半导体场效应晶体管 (MOSFET) 和绝缘栅双极型晶体管 (IGBT) 电源开关。 通过使用本身能够大大减少击穿电流的设计,UCC27517A 能够拉、灌高、峰值电流脉冲进入到电容负载,此电容负载提供了轨到轨驱动能力以及极小传播延迟(典型值为 13ns)。
UCC27517A 器件能够处理输入上的 –5V 电压。
UCC27517A 在 VDD = 12V 时提供 4A 拉电流和 4A 灌电流(对称驱动)峰值驱动电流功能。
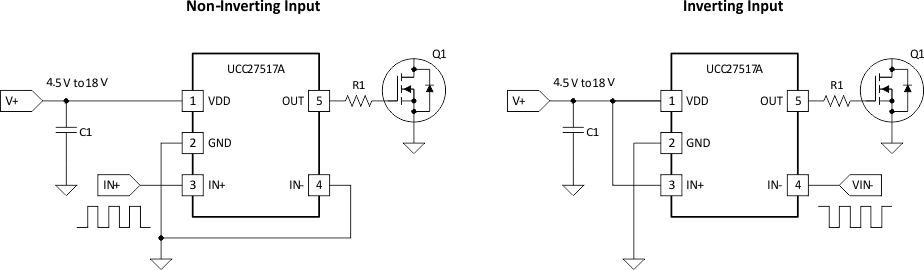
UCC27517A 设计在 4.5V 至 18V 的宽 VDD 范围以及 -40°C 到 140°C 的宽温度范围内运行。 VDD 引脚上的内部欠压闭锁 (UVLO) 电路保持 VDD 运行范围之外的输出低电平。 能够运行在诸如 5V 电压以下的低电压电平上,连同同类产品中最佳的开关特性,使得此器件非常适合于驱动诸如 GaN 功率半导体器件等新上市宽带隙电源开关器件。
| 器件型号 | 封装 | 封装尺寸(标称值) |
|---|---|---|
| UCC27517A | SOT-23 (5) | 2.90mm x 1.60mm |