SNAS518J July   2011  – July 2015 ADC12D1800RF

PRODUCTION DATA.  

  1. Device Overview
    1. 1.1 Features
    2. 1.2 Applications
    3. 1.3 Description
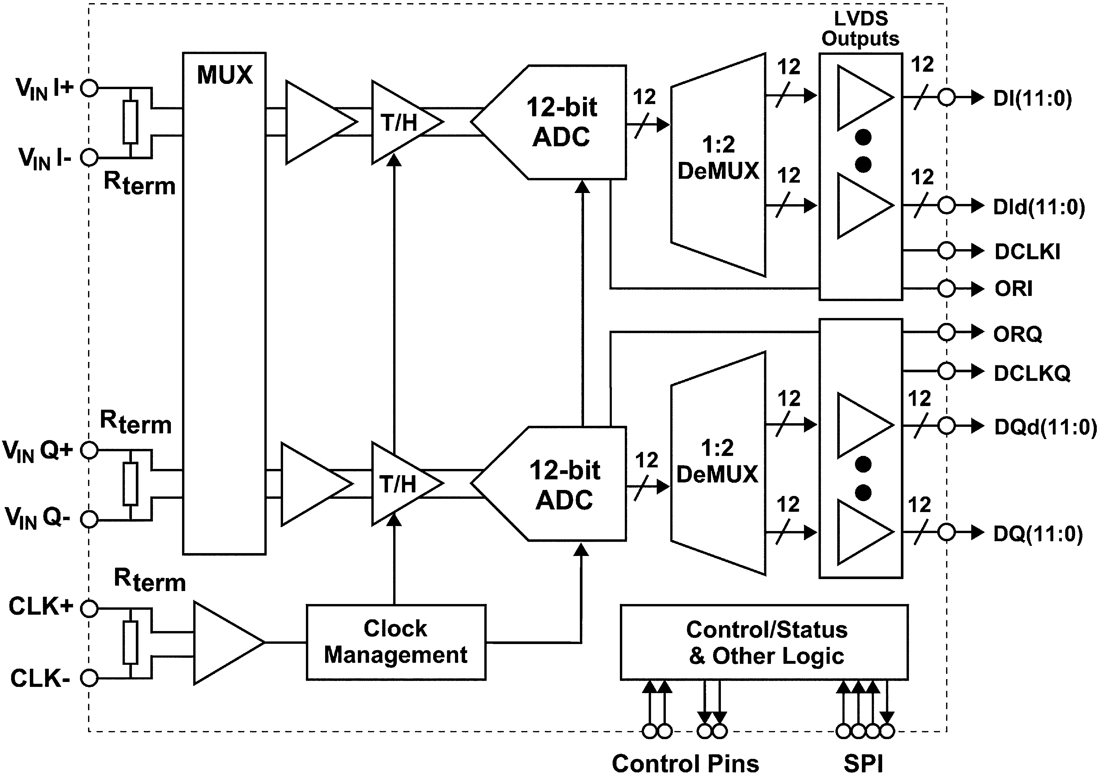
    4. 1.4 Functional Block Diagram
  2. Revision History
  3. Pin Configuration and Functions
    1. 3.1 Pin Diagram
      1. 3.1.1 Pin Functions
  4. Specifications
    1. 4.1  Absolute Maximum Ratings
    2. 4.2  ESD Ratings
    3. 4.3  Recommended Operating Conditions
    4. 4.4  Thermal Information
    5. 4.5  Converter Electrical Characteristics: Static Converter Characteristics
    6. 4.6  Converter Electrical Characteristics: Dynamic Converter Characteristics
    7. 4.7  Converter Electrical Characteristics: Analog Input / Output and Reference Characteristics
    8. 4.8  Converter Electrical Characteristics: I-Channel to Q-Channel Characteristics
    9. 4.9  Converter Electrical Characteristics: Sampling Clock Characteristics
    10. 4.10 Converter Electrical Characteristics: AutoSync Feature Characteristics
    11. 4.11 Converter Electrical Characteristics: Digital Control and Output Pin Characteristics
    12. 4.12 Converter Electrical Characteristics: Power Supply Characteristics
    13. 4.13 Converter Electrical Characteristics: AC Electrical Characteristics
    14. 4.14 Converter Electrical Characteristics: Serial Port Interface
    15. 4.15 Converter Electrical Characteristics Calibration
    16. 4.16 Typical Characteristics
  5. Detailed Description
    1. 5.1 Overview
      1. 5.1.1 RF Performance
    2. 5.2 Functional Block Diagram
    3. 5.3 Feature Description
      1. 5.3.1 Input Control and Adjust
        1. 5.3.1.1 AC/DC-coupled Mode
        2. 5.3.1.2 Input Full-Scale Range Adjust
        3. 5.3.1.3 Input Offset Adjust
        4. 5.3.1.4 DES Timing Adjust
        5. 5.3.1.5 Sampling Clock Phase (Aperture) Delay Adjust
      2. 5.3.2 Output Control and Adjust
        1. 5.3.2.1 SDR / DDR Clock
        2. 5.3.2.2 LVDS Output Differential Voltage
        3. 5.3.2.3 LVDS Output Common-Mode Voltage
        4. 5.3.2.4 Output Formatting
        5. 5.3.2.5 Test Pattern Mode
        6. 5.3.2.6 Time Stamp
      3. 5.3.3 Calibration Feature
        1. 5.3.3.1 Calibration Control Pins and Bits
        2. 5.3.3.2 How to Execute a Calibration
        3. 5.3.3.3 Power-on Calibration
        4. 5.3.3.4 On-command Calibration
        5. 5.3.3.5 Calibration Adjust
        6. 5.3.3.6 Read / Write Calibration Settings
        7. 5.3.3.7 Calibration and Power-Down
        8. 5.3.3.8 Calibration and the Digital Outputs
      4. 5.3.4 Power Down
    4. 5.4 Device Functional Modes
      1. 5.4.1 DES/Non-DES Mode
      2. 5.4.2 Demux/Non-Demux Mode
    5. 5.5 Programming
      1. 5.5.1 Control Modes
        1. 5.5.1.1 Non-Extended Control Mode
          1. 5.5.1.1.1  Dual Edge Sampling Pin (DES)
          2. 5.5.1.1.2  Non-Demultiplexed Mode Pin (NDM)
          3. 5.5.1.1.3  Dual Data Rate Phase Pin (DDRPh)
          4. 5.5.1.1.4  Calibration Pin (CAL)
          5. 5.5.1.1.5  Calibration Delay Pin (CalDly)
          6. 5.5.1.1.6  Power Down I-channel Pin (PDI)
          7. 5.5.1.1.7  Power Down Q-channel Pin (PDQ)
          8. 5.5.1.1.8  Test Pattern Mode Pin (TPM)
          9. 5.5.1.1.9  Full-Scale Input Range Pin (FSR)
          10. 5.5.1.1.10 AC / DC-Coupled Mode Pin (VCMO)
          11. 5.5.1.1.11 LVDS Output Common-mode Pin (VBG)
        2. 5.5.1.2 Extended Control Mode
          1. 5.5.1.2.1 The Serial Interface
    6. 5.6 Register Maps
      1. 5.6.1 Register Definitions
  6. Application and Implementation
    1. 6.1 Application Information
      1. 6.1.1 Analog Inputs
        1. 6.1.1.1 Acquiring the Input
        2. 6.1.1.2 Driving the ADC in DES Mode
        3. 6.1.1.3 FSR and the Reference Voltage
        4. 6.1.1.4 Out-of-Range Indication
        5. 6.1.1.5 Maximum Input Range
        6. 6.1.1.6 AC-Coupled Input Signals
        7. 6.1.1.7 DC-Coupled Input Signals
        8. 6.1.1.8 Single-Ended Input Signals
      2. 6.1.2 Clock Inputs
        1. 6.1.2.1 CLK Coupling
        2. 6.1.2.2 CLK Frequency
        3. 6.1.2.3 CLK Level
        4. 6.1.2.4 CLK Duty Cycle
        5. 6.1.2.5 CLK Jitter
        6. 6.1.2.6 CLK Layout
      3. 6.1.3 LVDS Outputs
        1. 6.1.3.1 Common-mode and Differential Voltage
        2. 6.1.3.2 Output Data Rate
        3. 6.1.3.3 Terminating Unused LVDS Output Pins
      4. 6.1.4 Synchronizing Multiple ADC12D1800RFS in a System
        1. 6.1.4.1 AutoSync Feature
        2. 6.1.4.2 DCLK Reset Feature
      5. 6.1.5 Recommended System Chips
        1. 6.1.5.1 Temperature Sensor
        2. 6.1.5.2 Clocking Device
        3. 6.1.5.3 Amplifiers for Analog Input
        4. 6.1.5.4 Balun Recommendations for Analog Input
    2. 6.2 Typical Application
      1. 6.2.1 RF Sampling Receiver
      2. 6.2.2 Design Requirements
      3. 6.2.3 Detailed Design Procedure
      4. 6.2.4 Application Curves
  7. Power Supply Recommendations
    1. 7.1 System Power-on Considerations
      1. 7.1.1 Power-on, Configuration, and Calibration
      2. 7.1.2 Power-on and Data Clock (DCLK)
  8. Layout
    1. 8.1 Layout Guidelines
      1. 8.1.1 Power Planes
      2. 8.1.2 Bypass Capacitors
      3. 8.1.3 Ground Planes
      4. 8.1.4 Power System Example
    2. 8.2 Layout Example
    3. 8.3 Thermal Management
  9. Device and Documentation Support
    1. 9.1 Device Support
      1. 9.1.1 Specification Definitions
      2. 9.1.2 Third-Party Products Disclaimer
    2. 9.2 Documentation Support
      1. 9.2.1 Related Documentation
    3. 9.3 Community Resources
    4. 9.4 Trademarks
    5. 9.5 Electrostatic Discharge Caution
    6. 9.6 Glossary
  10. 10Mechanical, Packaging, and Orderable Information

Package Options

Mechanical Data (Package|Pins)
Thermal pad, mechanical data (Package|Pins)
Orderable Information

1 Device Overview

1.1 Features

  • Excellent Noise and Linearity Up to and Above fIN = 2.7 GHz
  • Configurable to Either 3.6 GSPS Interleaved or 1800 MSPS Dual ADC
  • New DESCLKIQ Mode for High Bandwidth, High Sampling Rate Apps
  • Pin-Compatible with ADC1xD1x00, ADC12Dx00RF
  • AutoSync Feature for Multi-Chip Synchronization
  • Internally Terminated, Buffered, Differential Analog Inputs
  • Interleaved Timing Automatic and Manual Skew Adjust
  • Test Patterns at Output for System Debug
  • Time Stamp Feature to Capture External Trigger
  • Programmable Gain, Offset, and tAD Adjust
  • 1:1 Non-Demuxed or 1:2 Demuxed LVDS Outputs
  • Key Specifications
    • Resolution: 12 Bits
    • Interleaved 3.6 GSPS ADC (all typical)
      • IMD3 (Fin = 2.7GHz at -13dBFS) –62 dBc
      • IMD3 (Fin = 2.7GHz at -16dBFS) –64 dBc
      • Noise Floor Density -155.0 dBm/Hz
      • Power 4.29 W
    • Dual 1800 MSPS ADC, Fin = 498 MHz
      • ENOB 9.3 Bits (typ)
      • SNR 58.1 dB (typ)
      • SFDR 71.7 dBc (typ)
      • Power per Channel 2.15 W (typ)

1.2 Applications

  • 3G/4G Wireless Basestation
    • Receive Path
    • DPD Path
  • Wideband Microwave Backhaul
  • RF Sampling Software Defined Radio
  • Military Communications
  • SIGINT
  • RADAR / LIDAR
  • Wideband Communications
  • Consumer RF
  • Test and Measurement

1.3 Description

The 12-bit 1.8 GSPS ADC12D1800RF is an RF-sampling GSPS ADC that can directly sample input frequencies up to and above 2.7 GHz. The ADC12D1800RF augments the very large Nyquist zone of TI’s GSPS ADCs with excellent noise and linearity performance at RF frequencies, extending its usable range beyond the 3rd Nyquist zone.

The ADC12D1800RF provides a flexible LVDS interface which has multiple SPI programmable options to facilitate board design and FPGA/ASIC data capture. The LVDS outputs are compatible with IEEE 1596.3-1996 and supports programmable common mode voltage. The product is packaged in a lead-free 292-ball thermally enhanced BGA package over the rated industrial temperature range of –40°C to +85°C.

To achieve the full rated performance for Fclk > 1.6 GHz, it is necessary to write the max power settings once to Register 6h via the Serial Interface; see Section 5.6.1, Register Definitions, for more information.

Device Information(1)

PART NUMBER PACKAGE BODY SIZE (NOM)
ADC12D1800RF BGA (292) 27.00 mm x 27.00 mm
(1) For all available packages, see the orderable addendum at the end of the datasheet.

1.4 Functional Block Diagram

ADC12D1800RF 30164311.png